Skip to content
Contact Us:
+55 27 2180-0195
Main
About Us
Cases
Products
Pipes and Fittings
Handling and Transportation Equipment
Valves and Pumps
Mechanical Components
Metal Structures and Sheets
Tanks and Pressure Vessels
Mixing and Agitation Equipment
Industrial Accessories
Chemicals
Contact
Catalogs
Chemicals
Request Quote
Skip to product information
Open media 1 in modal
1
/
of
1
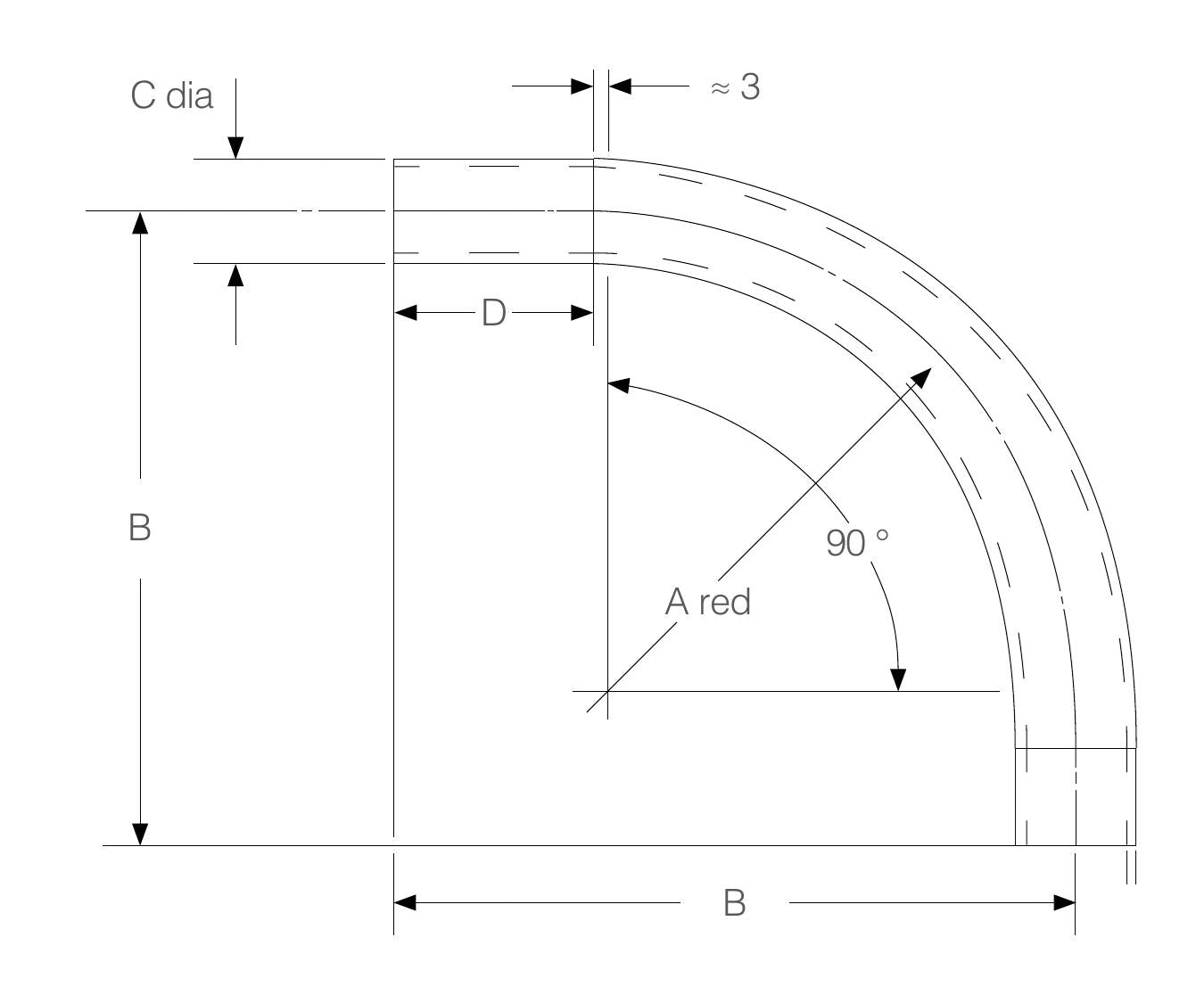
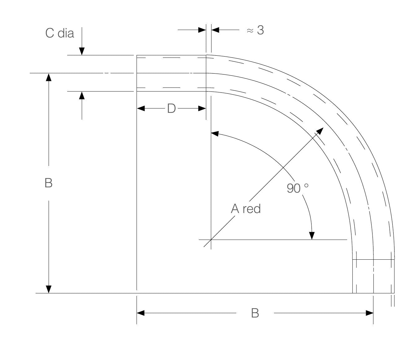
Schemc
BRITISH STANDARD STEEL CONDUIT BENDS EXTERNALLY SCREWED
BRITISH STANDARD STEEL CONDUIT BENDS EXTERNALLY SCREWED
BS4568-1:1970
All dimensions are in millimetres.
Share
Share
Link
Close share
Copy link
View full details
Choosing a selection results in a full page refresh.
Opens in a new window.